Power Steering Fluid Cadillac Cts

Cadillac Power Steering Fluid. 197576 Cadillac Power Steering Pump & Reservoir (Calais, DeVille The last time I bought GM power steering fluid (2+ years ago) the part # was 89020661 for a quart container How to change the power steering fluid of your Cadillac? In short: Changing the power steering fluid is easy

196870 Cadillac Power Steering Pump & Reservoir for years 1968, 1969
196870 Cadillac Power Steering Pump & Reservoir for years 1968, 1969 from www.opgi.com

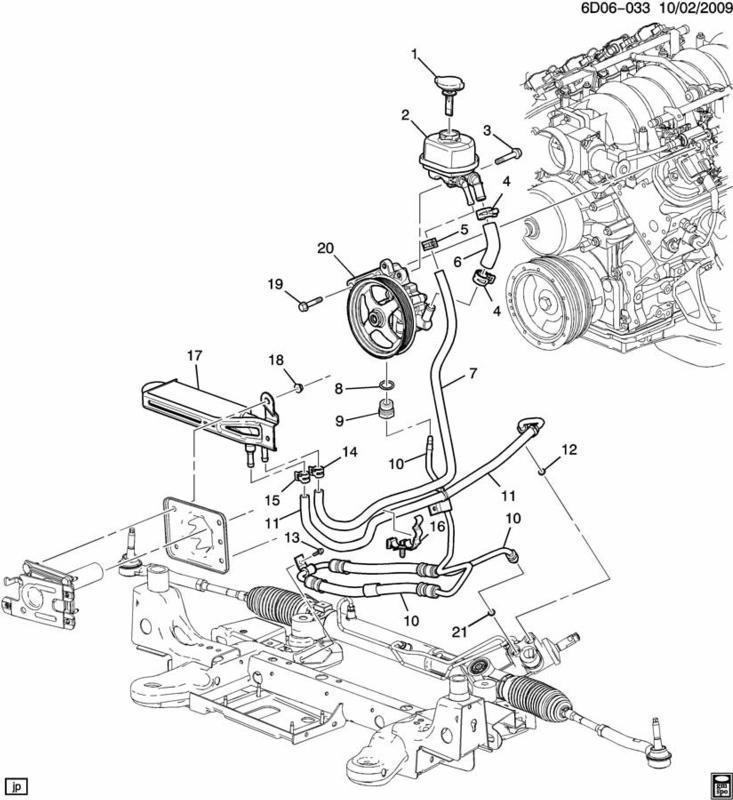
The power steering in the CTS-V is under-designed or undersized for the task As a result it runs hot and cooks the fluid if pushed hard, such as when tracking the car

196870 Cadillac Power Steering Pump & Reservoir for years 1968, 1969

How to change the power steering fluid of your Cadillac? In short: Changing the power steering fluid is easy They meet factory specifications and provide optimal performance However, ACDelco GM Original Equipment fluids are highly recommended

Power steering fluid r/Cadillac. Remove the power steering fluid reservoir and use a syringe to take most of the old fluid out Not only will you hear a groaning noise and have a hard-to-turn steering wheel, but you can also burn the power steering pump

Power Steering Fluid Lucas Oil Products. Our research indicates that your vehicle has an electric power steering system ("EPS" or "EPAS") They meet factory specifications and provide optimal performance